Home
CBM
  ASCII-X
  BASIC
  C128
    2MHz Border
    BASIC 7.80
    BASIC 8
    CPM
    Digimaster 128
    Fast Serial for uIEC
    Games
    Interlace
    JiffySoft128
    Keyboard Scan
    Media Player 128
    Orig Interlace
    RGBI to S-Video
    RGBI to SCART
    RGBI to VGA
    RGB Conversion
    SAM 128
    SID Player 128
    VDC Interlace
    Mp128alpha
    N-progs
  D64plus
  Disk
  Escape Codes
  Hardware
  PCxface
  PETSCII
  Pet2asc
Futurama
IBM PC-AT
Contact
Games
Glossary
Hall of fame
Hall of shame
Miscellaneous
Privacy policy
Programming
Twisty puzzles
The Commodore 128 (C128) offers 80-colum x 25-line text (640 x 200 pixels) via its 8563 VDC.  This one chip supports both NTSC and PAL video standards (with proper programming).  The physical connector on the the C128 for this video display is a DB9 connector that offers 16-color RGBI signals.  RGBI monitors (or converters) are difficult to obtain in the 21st century, so RGB converters are predicted (by me) to be more common.
 
NOTE: Easy-to-obtain RGB converters only offer half the color capabilities of RGBI converters (notice the first misses I for Intensity).  In other words, RGB conversion provides only 8 colors instead of all 16 colors (see RGBI to S-Video for a full 16 color solution). 
 
In theory, you can connect the RGB signals of the DB9 plug of the C128 to a standard CGA monitor.  This would need a special cable.   With a CGA monitor, one of the possible colors will be wrong (AFAIK, I do not own a CGA monitor so I can not say for sure).
 
Another way is to use an RGB converter board.  There are several such boards!  One that I used to convert to S-Video (a.k.a. S-VHS) for a television or some monitors (like Commodore 1702) is shown here.  I got it from yaton6262 on eBay (you might also try http://www.arcademvs.com/).  This device produces both S-Video output and Composite output from the RGB input.  It is quite inexpensive: on December 1 of 2009 it listed on eBay for US $24.99 ($39.99 as of January 2013).  To use this with your C128, you need 3 additional items:
 
  • A cable to connect the C128 to the RGB converter (you'll need to build this)
  • A DC power supply for the RGB converter (anything from 9 to 12 volts)
  • An RCA or S-Video cable to connect the RGB converter to your monitor / televison (the most recent listing on eBay includes an S-Video cable)
 
Depending on the input connectors of your monitor / television, you may need a seperate kind of cable, but these are easy to find (easy in comparison to RGB or RGBI converters).
 
This is only one RGB converter board.  There are (more expensive) RGB converters that can be used with VGA monitor or HDMI television.  More info about VGA converters here.
 
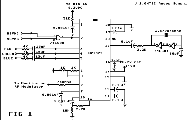
Instead of buying a pre-made RGB converter (like above) you might want to try building your own.  Here is a schematic I found on the web by Anees Munshi:
 
 Please note the schematic was originaly designed for an Atari ST.  For the Commodore 128, you will probably need to make the resistors on the R, B, G lines (pins 3, 4, and 5) a lot larger.  I'm thinking about 20k ohms.  The AND gate would also probably need to be replaced with a NOR gate.  Note this is just an idea for experimenters -- I have not actually built this device.
 
 2014 Update 
Miro (Mirkosoft) has reported that both standard (262/312 [NTSC/PAL] = non-interlaced) and extended (525/625 rasters = true [NTSC/PAL] interlace) video modes of VIC-II work with my software on HDMI display! I have not personally tested with HDMI. I plan to work with Miro to develop true-text 37x50 video which (hopefully) will work with any hardware (CRT/LCD/HDMI). His screen-shots are very promising, so I think it will work with all (well most) hardware described above. Sorry, no working software yet... just a theory... for now!
© H2Obsession, 2009, 2013, 2014